ZZF、DZF系列振动放矿机

产品详情

概 述
    本振动放矿机系由全国冶金系统设计院采矿业务建设网负责组织设计,由兰州有色冶金设计研究院,北京有色冶金设计研究总院,秦皇岛黑色冶金矿山设计研究院,沈阳有色冶金设计研究院,沈阳铝镁设计研究院,昆明有色冶金设计研究院,山东省冶金设计研究院等共同完成,并授权我厂独家定点生产。
用 途
    本系列振动放矿机适用于环境温度不超过+40℃、空气相对湿度不大于90%的溜井、采场、溜槽和矿(料)仓。它是厂矿企业作岩、物料放出、给料或装车之用的理想设备,各种矿车、汽车、火车、皮带、索道矿斗、矿井提升装载以及部分鄂式破碎机等均可选用本系列振动放矿机给矿。
特 点
    本系列振动放矿机具有以下特点;
1、体积小,重量轻,结构简单紧凑,投资少;
2、安装方便,维修量小,运行费用低;
3、因受振矿岩物料流动性增大,减小通道堵塞现象,故放矿能力大,效率高;  
4、受振矿流连续、均匀、易控,矿流大小可根据需要调整,运行安全可靠。
5、在超共振状态下工作,振幅稳定,可以频率起动(起动次数≤200次/时),允许振动台板上的负载有较大的波动,对各种矿岩特别是粘性矿岩物料适应性较强,并可在多尘或含水较多的环境下工作。
6、本系列振动放矿机耗电少,节能显著;
7、凡矿岩物料松散体重不大于2400公斤/米3、块度不大于1000毫米或1000毫米以下直至粉矿,均可选用本系列振动放矿机。
    另外,本通用设计总结了国内多年来设计、生产、使用振动放矿机的经验,考虑了各种使用条件,系列型谱齐全,覆盖面广。
机型符号意义
ZZF□×□×2-□/□×2
Z-座式
Z-振动
F-放矿机
□-振动台板(槽台)长度.米
□-振动台板(槽台)宽度.米
2-双台板,不注明即单台板.块
□-振动台板(槽台)倾角.药
□-振动电机功率.千瓦
2-二台振动电机,不注明即一台振动电机.台
主要技术参数
机号
机型
安装方式
最大矿岩块度a(毫米)
生产能力Q吨/时
矿岩自然安息角Φ
(度)
眉线角δ(度)
眉线高度H(米)
埋设深度L(米)
台板倾角α(度)
台板长度L(米)
台板宽度B(米)
额定激振力P千牛
额定功率N
电机额定转速n转/分
总重G
(吨)
1 DZF1.2×0.4-100/0.75 吊一 200 40-70 38 35 0.4 0.4 10 1.2 0.4 5.88-7.35 0.75 142 0.304
2 DZF1.4×0.4-120/0.75 吊一 200 40-70 35 32 0.4 0.4 12 1.4 0.4 5.88-7.35 0.75 1420 0.321
3 DZF1.8×0.5-140/1.5 吊一 200 60-150 37 34 0.5 0.5 14 1.8 0.5 7.84-9.8 1.5 960 0.538
4 DZF1.8×0.5-160/1.5 吊一 200 100-180 38 35 0.5 0.5 16 1.8 0.5 7.84-9.8 1.5 960 0.411
5 DZF2.2×0.6-180/2.2 吊一 200 150-300 40 37 0.6 0.6 18 2.2 0.6 10.78-14.7 2.2 960 0.411
6 ZZF1.8×0.6-120/1.5 座一 350 140-160 38 35 0.6 0.5 12 1.8 0.6 7.84 1.5 960 0.710
7 DZF1.8×0.6-120/1.5 吊二 350 160-240 38 35 0.6 0.5 12 1.8 0.6 10.78 1.5 1420 1.152
8 ZZF2×0.8-140/2.2 座一 350 260-280 38 35 0.6 0.6 14 2 0.8 9.8 2.2 1420 0.889
9 DZF2×0.8-140/2.2 吊二 350 240-250 38 35 0.6 0.6 14 2 0.8 14.7 2.2 960 1.395
10 ZZF2×0.7-100/2.2 座一 350 160-180 38 35 0.7 0.6 10 2 0.7 11.76 2.2 960 0.846
11 DZF2×0.7-100/2.2 吊二 350 220-300 38 35 0.7 0.6 10 2 0.7 14.7-15.68 2.2 1420 1.345
12 ZZF2×0.8-120/2.2 座三 350 300-450 40 37 0.7 0.6 12 2 0.8 10.78-13.72 2.2 960 0.692
13 DZF2×0.8-120/2.2 吊二 350 250-450 40 37 0.7 0.6 12 2 0.8 13.72-15.68 2.2 1420 1.38
14 ZZF2.5×1-140/3 座三 350 320-400 37 34 0.7 0.7 14 2.5 1 17.64-19.6 3 960 0.906
15 DZF2.5×1-140/3 吊二 350 400-520 37 34 0.7 0.7 14 2.5 1 21.56 3 960 1.898
16 ZZF2.5×0.9-160/3 座一 350 450-540 42 39 0.8 0.8 16 2.5 0.9 17.64-19.6 3 960 1.071
17 DZF2.5×0.9-160/3 吊二 350 500-600 42 39 0.8 0.8 16 2.5 0.9 23.52 3 960 1.732
18 ZZF2.8×1-180/3 座一 350 500-550 42 39 0.8 0.9 18 2.8 1 19.6-21.56 3 960 1.227
19 DZF2.8×1-180/3 吊二 350 500-550 42 39 0.8 0.9 18 2.8 1 2352 3 1420 1.999
20 ZZF2.2×0.8-100/2.2 座一 500 320-500 38 35 0.8 0.6 10 2.2 0.8 14.7-15.68 2.2 960 0.721
21 DZF2.1×0.8-100/3 吊三 500 243-330 43 40 1.0 0.6 10 2.2 0.8 24.5 3 960 2.353
22 ZZF2.5×0.9-120/3 座一 500 700-900 39 36 0.9 0.7 12 2.5 0.9 15.68-19.6 3 960 0.91
23 DZF2.5×0.9-120/5.5 吊三 500 461-519 43 40 1.1 0.7 12 2.5 0.9 34.3 5.5 960 2.534
24 ZZF2.8×1-140/3 座一 500 800-1000 39 36 0.9 0.8 14 2.8 1 17.64-19.6 3 960 0.944
25 DZF2.8×1-140/5.5 吊三 500 450-550 42 39 1.1 0.8 14 2.8 1 34.3 5.5   2.694
26 ZZF2.8×1×2-120/3×2 座三 500 660-700 39 36 1 0.8 12 2.8 1×2 27.44×2 4×2 1450 2.309
27 ZZF3.2×1.4×2-140/7.5×2 座三 500 1200-1600 39 36 1 0.9 14 3.2 1.4×2 39.2×2-49×22 7.5×2 960 4.285
28 ZZF3.5×1.2-160/5.5 座一 500 1000-1500 41 38 1.1 1.1 16 3.5 1.2 36-42 5.5 960 1.598
29 DZF3.5×1.2-160/10 吊三 500 1094-1191 41 38 1.1 1.1 16 3.5 1.2 58.8 10 960 3.703
30 ZZF3.8×0.8-180/7.5 座三 500 500-700 42 39 1.1 1.2 18 3.8 0.8 34.79-59.2 7.5 960 1.910
31 DZF3.8×0.6-180/4 吊三 350 280-350 38 35 0.8 1.2 18 3.8 0.6 34.3 4 960 3.082
32 ZZF3×2双-100/5.5 座四 600 800-1200 38 35 1.5 0.8 10 3 2双轴 115 15 970 4.039
33 DZF2.8×1.1-100/5.5 吊二 650 300-440 38 35 1 0.8 10 2.8 1.1 39.2-49 5.5 1420 2.717
34 ZZF2.8×1.1-120/4 座一 650 400-500 59 36 1 0.8 12 2.8 1.1 34.3 4 1420 1.445
35 DZF2.8×1.1-120/5.5 吊二 650 400-600 39 36 1 0.8 12 2.8 1.1 29.2-49 5.5 1420 2.734
36 ZZF3.5×1×2-140/5.5×2 座三 650 800-1000 39 36 1.1 1 14 3.5 1×2 27.44×2-34.79×2 5.5×2 960 3.241
37 ZZF3.5×1.2-120/5.5 座一 650 400-600 37 34 1.1 1 12 3.5 1.2 45-46 5.5 1420 2.002
38 DZF3.5×1.2-140/7.5 吊二 650 340-460 37 34 1.1 1 12 3.5 1.2 49-58.8 7.5 1420 3.335
39 ZZF3.8×1.4×2-140/10×2 座三 650 1200-1400 39 36 1.2 1.1 14 3.8 1.4×2 62×2-70×2 10×2 960 6.218
40 ZZF3.8×2双-160/22 座四 650 800-1200 41 38 1.2 1.1 16 3.8 2双轴 140 22 970 5.904
41 DZF3.8×2双-160/22 吊四 650 800-1200 41 38 1.2 1.1 16 3.8 2双轴 140 22 970 5.102
42 ZZF4×0.8-180/4 座一 50 480-580 42 39 1.2 1.2 18 4 0.8 27.44-31.36 4 960 1.99
43 DZF4×0.8-180/5.5 吊二 500 500-600 42 39 1.2 1.2 18 4 0.8 34.79-39.2 5.5 960 2.847
44 ZZF3.5×1.4-100/10 座一 800 600-700 36 33 1.2 0.9 10 3.5 1.4 58.8-63.7 10 1420 2.97
45 ZZF3.5×14-120/5.5×2 座五 800 750-1100 40 37 1.2 1.1 12 3.5 1.4 80 5.5×2 960 2.977
46 ZZF4×1.4×2-140/10×2 座三 800 1300-1500 41 38 1.4 1.2 14 4 1.4×2 62×2-70×2 10×2 960 5.193
47 ZZF4×1×2-160/7.5×2 座二 800 1400-1600 43 40 1.4 1.2 16 4 1×2 39.2×2-49×22 7.5×2 960 4.813
48 ZZF4.5×2双-180/30 座四 800 800-1200 43 40 1.4 1.4 18 4.5 2双轴 170 30 980 7.223
49 ZZF4×1×2-100/7.5×2 座二 1000 600-800 37 34 1.4 1.1 10 4 1×2 49×2-55×2 7.5×2 1420 4.992
50 ZZF4×2双-120/22 座四 1000 800-1200 40 37 1.5 1.2 12 4 2双轴 170 22 970 6.378
51 ZZF4.5×1.4×2-140/15×2 座三 1000 1600-2000 42 39 1.6 1.4 14 4.5 1.4×2 78.4×2-98×2 15×2 960 7.122
52 ZZF4.5×1.4×2-160/15×2 座二 1000 1800-2000 45 42 1.6 1.6 16 4.5 1.4×2 78.4×2-98×2 15×2 960 6.942
53 ZZF2.8×1-140/4 座三 500 360-500 39 36 0.9 0.8 14 2.8 1 19.6 24.5 4 960 0.957
振动放矿机外形与安装简图
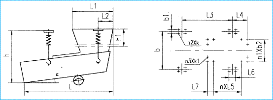
吊二型机外型与安装简图(7、9、11、13、15、17、19、33、35、38、43#机)
机号 外形尺寸 吊挂螺栓
l l1 l2 h h1 l3 l4 n×l5 l6 l7 b b1 n1×b2 n2×k n3×k1
7 2517 1660 592.2 1572 500 1338 563.5 7×178 280 178 1000 120 4×180 16×M20 26×M20
9 2629 1730 594 1621 500 1445 565 6×209 280 209 1200 120 5×184 16×M20 26×M20
11 2718 1788 664 1588 500 1450 634 7×192 280 192 1100 120 4×205 16×M20 26×M20
13 2771 1810 675 1688 500 1490 645 6×219 280 219 1200 120 5×184 16×M20 26×M20
15 3179 1896 667 1850 500 1555 637 7×204 300 204 1400 120 6×187 16×M20 30×M20
17 3183 2030 690 1985 500 1855 660 8×197 300 197 1300 120 2×204 16×M20 30×M20
19 3595 2350 835 2430 600 2100 805 8×229 300 229 1400 120 5×224 16×M20 30×M20
33 3250 1600 1000 2218 730 1500 965 6×205 300 150 1500 150 6×200 16×M30 28×M20
35 3240 1600 990 2298 730 1500 955 6×205 300 150 1500 150 6×200 16×M30 28×M20
38 3905 1750 1205 2567 730 1900 1170 6×240 300 120 1600 150 6×217 16×M30 28×M20
43 4300 1960 1200 2973 730 2100 1170 8×205 300 130 1200 150 10×145 16×M30 32×M20
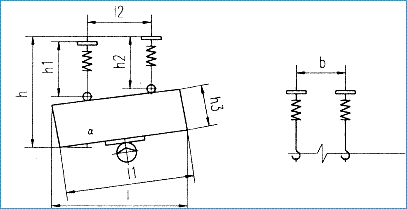
吊一型机外型与安装简图(1、2、3、4、5#机)
机号
外形尺寸
吊挂安装
备注
l
l1
h
h1
h2
h3
l2
b
1 1251 1200 1951 1330 1340 400 516 490 放矿漏斗自配,b一吊挂螺栓宽度方向中心距
2 1453 1400 2038 1330 1340 404 516 490
3 1867 1800 2275 1308 1368 500 870.5 700
4 1868 1800 2352 1303 1368 500 870 700
5 2278 2200 2669 1360 1407 600 999 800
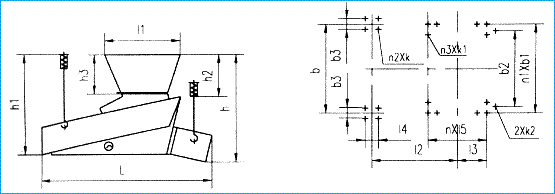
吊三型机外型与安装简图(21、23、25、31#机)
机号 外形尺寸 吊挂螺栓
l l1 h h1 h2 h3 l2 l3 l4 n×l5 b n1×b1 b2 b3 n2×k n3×k1 2×k2
21 3035 1550 2560 1960 800 600 1340 800 250 10×145 124 6×200 892 250 8×M30 32×M20 2×M48
23 3308 1700 2625 2120 800 600 1686 900 250 8×200 1224 9×150 992 250 8×M30 34×M20 2×M48
25 3577 1700 2620 2230 800 600 1778 900 250 8×200 1324 10×145 1062 250 8×M30 36×M20 2×M48
29 4327 1800 2890 2630 800 600 2190 1000 250 10×170 1524 10×155 1262 250 8×M30 40×M20 2×M48
31 4567 1600 2700 2620 800 700 2226 900 250 10×150 924 9×145 912 250 8×M30 38×M20 2×M48
吊四型机外型与安装简图(41#机)
机号
外形尺寸
吊挂螺栓
l
l1
l2
l3
h
h1
h2
h3
l4
l5
b
b1
n×k
41 4762.5 4018 312.5 100 2621 2400 1375 300 2700 350 2315 1715 8×M48
座一型机外型与安装简图(6、8、10、16、18、20、22、24、28、34、37、42、44#机)
机号
最大外形尺寸
地脚螺栓位置
l
b
h
h1
l1
l2
l3
b1
b2
n×k
6 1780 1036 1820 989 832     516 170 8×M20
8 1963 1220 1823 922 843     700 170 8×M20
10 1936 1150 1887 985 859     630 170 8×M20
16 2403 1054 2250 1000 1000 1280   500 780 8×M24
18 2663 1154 2390 1000 1100 1880   600 880 8×M24
20 2210 1020 2192 1110 1164     580   4×M24
22 2487 1120 2389 1100 880     640   4×M30
24 2765 2765 2549 1147 970     740   4×M30
28 3427 1420 2887 1110 1442     850   4×M36
34 2740 1520 2314 969 800 745   940 170 12×M24
37 3424 1620 2434 827 1000 1000   1040 170 12×M24
42 3857 1800 2652 540 760 700 750 850   8×M30
44 3477 1900 2568 897 785 700 650 1410   8×M30
座二型机外型与安装简图(47、49、52#机)
机号
最大外形尺寸
地脚螺栓位置
l
b
h
h1
l1
l2
l3
l4
l5
l6
l7
b1
b2
b3
b4
n×k
47 4370 2404 2852 -72.4 1000 433 434 384.5       394 212     32×M20
49 4223 2404 2367 470 1480 930 200         928 222     24×M20
52 4458 3200 2638 192 500 465 337 659 240 394 140 1110 700 290 300 40×M20
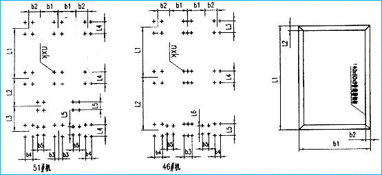
座三型机外型与安装简图(12、14、26、27、30、36、39、46、51、53#机)
机号 最大外形尺寸 地脚螺栓(焊接)位置
l b h h1 l1 l2 l3 l4 l5 l6 b1 b2 b3 b4 b5 n×k
12 2145 1090 887 167 709 342 220       850 160       24×M24
14 2598 1290 1046 132 1334 220 160       1050 160 220     20×M24
26 2908 2250 1547 648 1646 60         974 60        
27 3328 3080 1500 417 1450 810 200 200     1450 340 200     36×M30
30 3892 1160 1608 49 975 1094 350 180     880 440 180 350   28×M20
36 3572 2240 1476 271 700 1265 350 250     1020 420 200     36×M20
39 3902 2975 1729 392 1550 850 200 200     1227.5 515 220     36×M30
46 4129 3040 1500 148 1428 927 400 300 274 200 700 590 440 220 200 50×M30
51 4586 3060 1880 305 1649 660 655 350 210   700 585 220 210 350 52×M20
53 2890 1290 1092 86 1018.8 436.6 240       1050 160       24×M24
座四型机外型与安装简图(32、40、48、50#机)
机号
最大外形尺寸
地脚螺栓位置
l
b
h
h1
l1
l2
l3
l4
l5
b1
b2
b3
b4
n×k
n1×k1
32 3500 1186+1939.5 1794 730 1000 1000 150 400   1600 2092 200 360 16×M24 4×M24
40 4322 1190+2029.5 2300-2332 670 950 950 950 94 400 1650 2060 200 360 16×M24 4×M24
48 4718 1180+2190.5 2510 535 1000 1050 1000 42 400 1600 2060 200 400 16×M30 4×M24
50 4502 1180+1979.5 2319 933 900 1000 900 230 400 1600 2060 200 360 16×M24 4×M24
座五型机外型与安装简图(45#机)
机号
最大外形尺寸
地脚螺栓位置
l
b
h
h1
l1
l2
l3
b1
n×k
45 3316 1726 3260 1687 300 750 490 1400 10×M24